고객지원센터
02)786-4929
GSI는 60년간 오직 포터블 3차원 측정 시스템만 생산해 온 세계적인 전문회사입니다.
60년간 포터블 3차원 측정 시스템만을 생산해온 GSI는 산업용 포터블 3차원 측정에 최적화시킨 고 정밀 산업용 사진계측전용 카메라 INCA4를 자체 생산하는 전세계에서 유일한 포터블 3차원 측정 전문회사입니다. 측정정확도가 5um+4um인 V-STARS/S System은 미국 GSI (Geodetic Systems Inc.)에서 개발된 고 정밀 산업용 포터블 3차원 측정 시스템으로 간편하고 쉽고 빠르게 고 정밀 3차원 측정이 가능합니다. 휴대성이 탁월한 V-STARS 시스템은 높은 측정 정확도와 함께언제 어디서나 측정 할 수 있는 휴대가 간편한 포터블 3차원 측정 시스템입니다.
| Touch Probe를 이용한 무 타켓 측정 방식으로 2대의 카메라로 3차원 위치 및 데이터를 분석하는 시스템 |
![]() |
|
![]() |
|
|
|
|
|
|
| 모델명 | V-Stars/S | V-Stars/M | V-Stars/N_Platinum | V-Stars/N_Gold V-Stars/N_Silver |
V-STARS/Prospot Scanner |
| 2대이상 동기화 |
가능 | 수량 제한 없음 | 가능 | 불가 | 가능 |
| 실시간 측정 | 불가 | 가능 | 가능/불가 | 불가 | 가능 |
| Touch Probe | 불가 | 가능 | 가능/불가 | 불가 | 가능/불가 |
| Resolution | 12MP | 12MP | 45MP | 24MP | |
| Accuracy | 4.5µ + 4.5µ/M | 9µ + 9µ/M | 5µ + 4µ/M | 5µ + 5µ/M 5µ + 6µ/M |
모델의 정확도를 따름 |
| Speed | 3~10 Hz | 3~10 Hz | |||
| FOV | 72°x58° | 72°x58° | 74°x53° | 74°x53° 67°x48° |
|
| Shutter Life | Fully Electronic | Fully Electronic | 200,000 pictures | 150,000 pictures 100,000 pictures |
|
| Flash | <40 us | External only | External only | External only Internal Only |
|
| 원격조정 | 가능 | 가능 | 불가 | 불가 | 가능 |
| 무선송신 | 가능 (옵션) | 가능 (옵션) | 가능 (옵션) | 가능 (옵션) | 가능/불가 |
| Weight | 1.5Kg | 1.5Kg | 1.8Kg | 1.7Kg 1.0Kg |
|
|
|
|
||||
| 모델명 | D45R | D45F | D12R | D12F | D5R | D5F | V-STARS/Prospot Scanner |
| Resolution | 45MP | 12MP | 5MP | ||||
| Singl Camera Accuracy | 5µ + 4µ/M | 5µ + 5µ/M | 5µ + 7µ/M | 모델의 정확도를 따름 | |||
| Dual Camera Accuracy | 10µ + 7µ/M | 10µ + 10µ/M | 10µ + 14µ/M | 모델의 정확도를 따름 | |||
| FOV | 60°x82° | 66°x83° | 50°x60° | 62°x75° | |||
| Sped (Hz) | 1-3Hz | 4-12Hz | 5-12Hz | 20-50Hz | 10-25Hz | 40-100Hz | |
| Flash | Deep Red or Infra-Red (IR) LEDs | ||||||
| Cabling | Ethernet, Cat5e or Better, Max Length 50M | ||||||
| Power (12V) | 10-15W | 5-10W | 10-15W | 5-10W | 10-15W | ||
| Weight | 800g | 450g | 650g | 300g | 450g | ||
| Dimention | 13x13x7.5 | 11x11x5 | 12x12x6.2 | 10x10x3.7 | 11x11x5 | ||
| Shutter (Fully Electronic) | 70µ/s | 17µ/s | 23µ/s | 17µ/s | 23µ/s | ||
![]() |
|||||||||
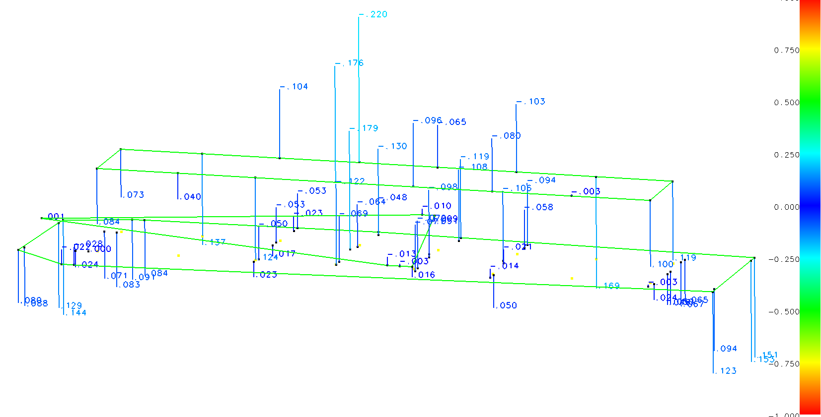
V-STARS/N, /S모델은 사용하기 가장 편리한 포터블 3차원 측정 시스템의 대명사입니다.
|
|||||||||
![]() |
|||||||||
![]() |
|||||||||
2대(이상)의 카메라를 이용하는 V-STARS/DynaMo모델은 Real-Time
|
|||||||||
![]() |
|||||||||
Prospot Scanner는 항공기 크기의 대형제품까지 High Accuracy로 3D 스캔 및 신속한 형상분석을 가능하게 해줍니다.
|
|||||||||







